汽车维修技术论坛

 找回密码
 立即注册
查看: 2926|回复: 15

GL8 水温高。。。。。

[复制链接]

19

主题

127

回帖

474

积分

骑士

积分
474

社区居民

发表于 2011-2-26 20:05:45 | 显示全部楼层 |阅读模式
一台别克GL8 车水温有时高,有时不高,经检查电子风扇不转,但是把空调开了电子扇就转了,水温就不高了。谁有GL8 的风扇电路图,我的QQ:591580089  。谢谢,估计是什么出了问题?
回复

使用道具 举报

43

主题

246

回帖

1667

积分

精灵王

积分
1667

社区居民实名认证

QQ
发表于 2011-2-26 20:12:59 | 显示全部楼层
换保险盒··
维修群36549653 
回复 支持 反对

使用道具 举报

43

主题

246

回帖

1667

积分

精灵王

积分
1667

社区居民实名认证

QQ
发表于 2011-2-26 20:16:52 | 显示全部楼层
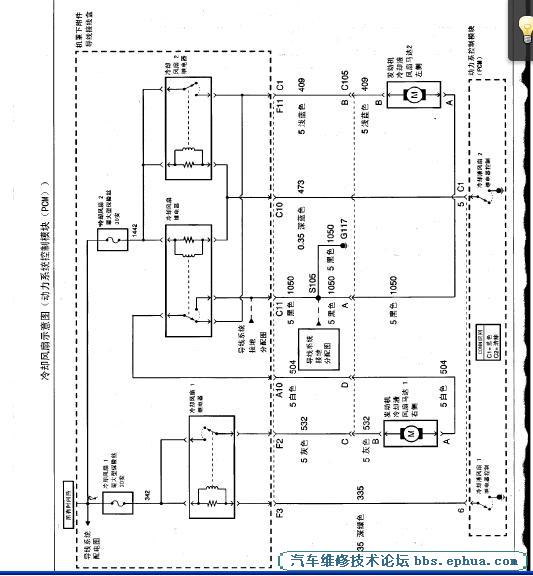
未命名.JPG
维修群36549653 
回复 支持 反对

使用道具 举报

39

主题

227

回帖

1103

积分

精灵王

积分
1103

社区居民

发表于 2011-2-26 20:20:12 | 显示全部楼层
把保险盒拆下看后面有烧得地方这车挨范这毛病通病
回复 支持 反对

使用道具 举报

105

主题

575

回帖

16430万

积分

光明使者

积分
164304741

社区居民

QQ
发表于 2011-2-26 21:00:33 | 显示全部楼层
楼上说的很对,我遇见好几俩车都是这问题。
回复 支持 反对

使用道具 举报

19

主题

127

回帖

474

积分

骑士

积分
474

社区居民

 楼主| 发表于 2011-2-26 21:20:37 | 显示全部楼层
拆过看过了插头无事
回复 支持 反对

使用道具 举报

9

主题

1635

回帖

4478

积分

精灵王

积分
4478

热爱本论坛奖社区居民忠实会员最爱沙发社区明星

QQ
发表于 2011-2-26 22:04:06 | 显示全部楼层
同意3楼。
新丰电子
回复 支持 反对

使用道具 举报

2

主题

146

回帖

433

积分

骑士

积分
433

社区居民

发表于 2011-2-27 19:42:27 | 显示全部楼层
来 学习哈 呵呵
回复 支持 反对

使用道具 举报

19

主题

127

回帖

474

积分

骑士

积分
474

社区居民

 楼主| 发表于 2011-2-27 21:03:58 | 显示全部楼层
是不是有个风扇控制模块的?
回复 支持 反对

使用道具 举报

1

主题

48

回帖

146

积分

侠客

积分
146
发表于 2011-2-27 22:21:14 | 显示全部楼层
检查水箱上下水管是否温差很大,大的话检查节温器。检查温控开关。
回复 支持 反对

使用道具 举报

您需要登录后才可以回帖 登录 | 立即注册

本版积分规则

QQ|Archiver|手机版|汽车维修技术论坛 ( QQ: 5591026 粤ICP备16011226号-1 )

GMT+8, 2025-11-8 10:46 , Processed in 0.914112 second(s), 26 queries .

Powered by Discuz! X3.4 Licensed

© 2001-2023 Discuz! Team.

快速回复 返回顶部 返回列表