汽车维修技术论坛

 找回密码
 立即注册
12
返回列表 发新帖
楼主: mojiayan

求助2000年别克君威,请雨云兄指教下》》

[复制链接]

264

主题

2736

回帖

1万

积分

光明使者

积分
12721

汽修专家热爱本论坛奖社区明星社区居民忠实会员杰出贡献奖管理奖

QQ
发表于 2011-3-1 21:14:14 | 显示全部楼层
  若是原车防盗器  换转向灯开关试试。
1.jpg
回复 支持 反对

使用道具 举报

264

主题

2736

回帖

1万

积分

光明使者

积分
12721

汽修专家热爱本论坛奖社区明星社区居民忠实会员杰出贡献奖管理奖

QQ
发表于 2011-3-1 21:37:14 | 显示全部楼层
仪表背光亮度调节和顶灯开关是一体的(大灯开关)。
                              -------不知此话是否多余
回复 支持 反对

使用道具 举报

57

主题

109

回帖

776

积分

圣骑士

积分
776

社区居民

 楼主| 发表于 2011-3-1 21:58:35 | 显示全部楼层

回 9楼(雨云) 的帖子

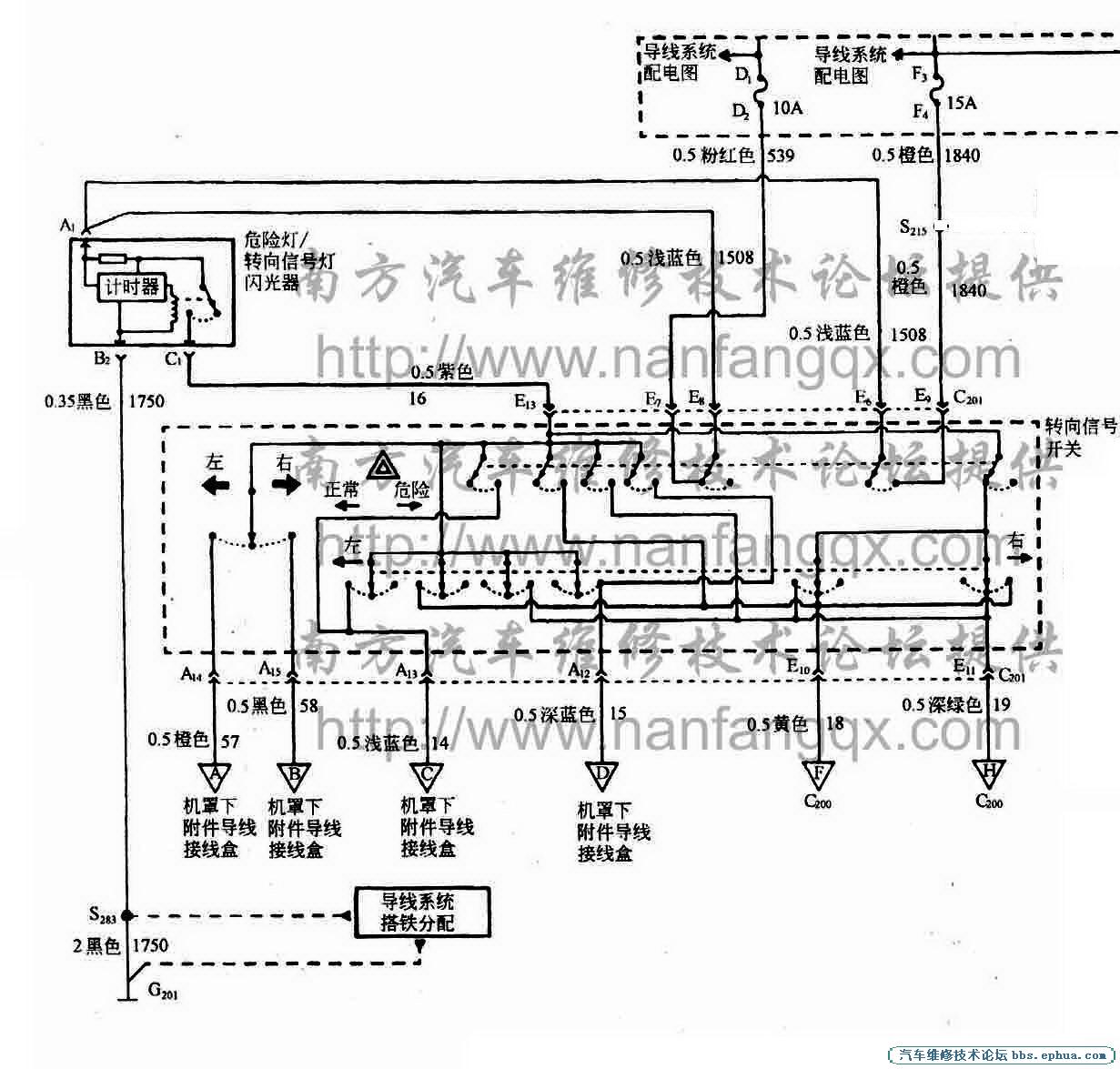
加装的。。我拔了防盗的保险丝了。还是一样,有线路图吗??
回复 支持 反对

使用道具 举报

264

主题

2736

回帖

1万

积分

光明使者

积分
12721

汽修专家热爱本论坛奖社区明星社区居民忠实会员杰出贡献奖管理奖

QQ
发表于 2011-3-1 22:15:32 | 显示全部楼层
200472193149153.jpg
回复 支持 反对

使用道具 举报

264

主题

2736

回帖

1万

积分

光明使者

积分
12721

汽修专家热爱本论坛奖社区明星社区居民忠实会员杰出贡献奖管理奖

QQ
发表于 2011-3-1 22:21:33 | 显示全部楼层

回 5楼(mojiayan) 的帖子

这条线怎么会带了8V的电呢?
                   —————— 开关触点略有短路。


                             换一个开关!
回复 支持 反对

使用道具 举报

57

主题

109

回帖

776

积分

圣骑士

积分
776

社区居民

 楼主| 发表于 2011-3-1 22:30:12 | 显示全部楼层
四条线就。只有这条线带电。怀疑是上次去拖车,好象不够电就用了24伏电瓶打着车,电压过高会烧了其他。。。。用X-431检查有故障码:安全系统传感器数据电路高。
今天拆那个方向盘下护罩,连那应急开关弄坏了。看来真要换整个组合开关了。。
再研究下你个的线路图试下。。。
回复 支持 反对

使用道具 举报

264

主题

2736

回帖

1万

积分

光明使者

积分
12721

汽修专家热爱本论坛奖社区明星社区居民忠实会员杰出贡献奖管理奖

QQ
发表于 2011-3-1 22:37:30 | 显示全部楼层
200472193149153.jpg
回复 支持 反对

使用道具 举报

264

主题

2736

回帖

1万

积分

光明使者

积分
12721

汽修专家热爱本论坛奖社区明星社区居民忠实会员杰出贡献奖管理奖

QQ
发表于 2011-3-1 23:26:41 | 显示全部楼层
1.jpg
回复 支持 反对

使用道具 举报

57

主题

109

回帖

776

积分

圣骑士

积分
776

社区居民

 楼主| 发表于 2011-3-3 12:27:58 | 显示全部楼层

回 17楼(雨云) 的帖子

应该是触点短路了。不然我截断了左前半部分,组合开关那里,这条线还是带电的。买了个新的组合开关装上去后,开锁匙左转弯灯没闪了,正常。   
  但是一开门,边门灯:左边的仪表闪光指示灯没闪,右边的在闪。几秒后就没闪了。查看了防盗器的2条转弯灯保险丝没烧。但是用试灯一搭左边的转弯灯保险丝,仪表那里左边的闪光指示灯就闪了。以为是搞好了。装回全部东西后,左边的闪光指示灯又没闪了,左前半部分转弯灯没亮。以为防盗器那里又是烧了保险丝。拆开来,用试灯一搭铁没烧,一看左边的仪表闪光指示灯又闪了。奇怪了。不明白。在装好其他东西,在没发生其他问题了。
终于搞好了,但是有点还不明白。。
多谢大家提供的资料。特别多谢雨云兄的热心帮助,有你的资料对我帮助很大,万分感激!!
回复 支持 反对

使用道具 举报

1

主题

315

回帖

0

积分

骑士

积分
0

社区居民

QQ
发表于 2011-3-5 21:16:41 | 显示全部楼层
一汽丰田·········
回复 支持 反对

使用道具 举报

您需要登录后才可以回帖 登录 | 立即注册

本版积分规则

QQ|Archiver|手机版|汽车维修技术论坛 ( QQ: 5591026 粤ICP备16011226号-1 )

GMT+8, 2025-11-8 10:47 , Processed in 0.459336 second(s), 23 queries .

Powered by Discuz! X3.4 Licensed

© 2001-2023 Discuz! Team.

快速回复 返回顶部 返回列表