汽车维修技术论坛

 找回密码
 立即注册
查看: 1611|回复: 2

宝来EPC报警

[复制链接]

9533

主题

2219

回帖

938万

积分

管理员

风之龙

Rank: 9Rank: 9Rank: 9

积分
9381032

论坛建设奖管理奖杰出贡献奖社区居民社区明星忠实会员社区劳模热爱本论坛奖最爱沙发原创达人

QQ
发表于 2016-7-16 14:56:05 | 显示全部楼层 |阅读模式

车型:宝来, 发动机号为BJH024871。

  VIN:LFV2A11J653××××××。

  行驶里程:72887km。

  故障现象:该车 EPC报警,加油无力。

  故障诊断:使用VAS5052A诊断仪检测,有制动灯开关和离合器开关故障,检测数据流66组,常显示1,查询此车在1月27日曾因为打不着火进厂维修过,且更换过制动灯开关、转速传感器,询问维修班组,知道此车第一次进厂时测得故障码有转速传感器故障和制动灯开关故障,且在维修时发现发动机控制单元插头进水,是打不着火的原因,当时处理进水插头后,故障减轻,但还有时不好着火,更换了458主供电继电器,故障排除。

  2 月26 日,再次进厂因为EPC报警故障,因为测得有制动灯开关故障,班组查询保险丝S13(制动灯10A),测量过保险丝正常,于是更换了新的制动灯开关,同时更换了离合器开关,在测量保险丝时,班组发现S5 号保险丝(舒适系统、GRA、空调、Climatronic、散热器风扇控制单元、加热式座椅/ 副司机座椅控制单元、多功能转向盘、倒车警报系统)损坏,因没有发现其他故障,于是给客户更换了一个新的保险丝,再次测量66 组,系统数据恢复正常,踩踏制动踏板测试时,从转向盘下方冒出很大的一股烟,班组查看保险丝盒无损坏。拆卸转向盘未发现烧蚀的现象,于是将S13 拔下,打开钥匙,发现其他一切正常。初步分析,怀疑冒烟与更换的保险丝有关系,怀疑线路短路过热,导致内部线束烧蚀。查询电路图,分析S5 号保险丝。

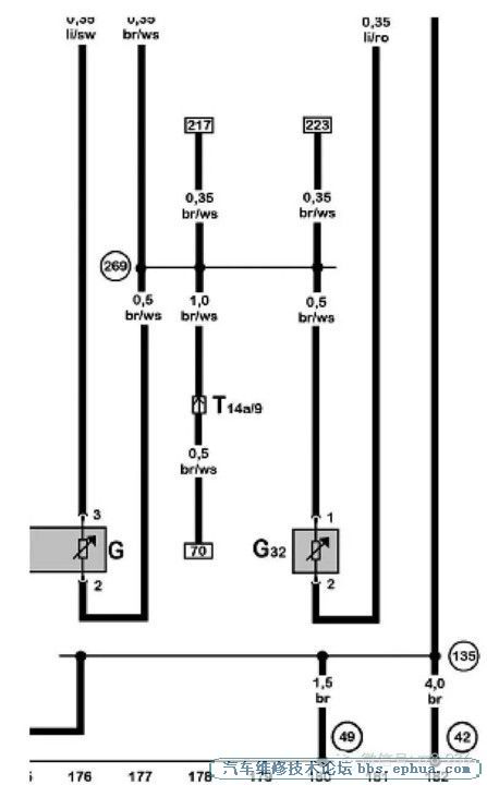
  S5 号保险丝为多个设备提供正电, 它通过A20( 正极连接15a, 在仪表板线束内) 为E45(GRA 开关)、 E227(GRA SET 按钮)T10s/6、F36、F47( 2 脚)、J293T14/9、G65T3c/3、G266 T14a/11、E159 T10j/4(10 孔插头、仪表板中后部)内循环翻板开关、E231 车外后视镜加热开关供电(红色部分此车无此配置),如图1 所示。

   59196e5d315f4c1893c8973cd5c8d5b9.jpg

  图1 S5供电示意图

  根据图1 简单图示,用万用表测量S5有来自15 号正电,测量S5端子2,有2.37V 左右的正电,测量F47和F36 同样有2.37V 正电,而对比其他车,没有这个电压,更加验证了此前的推断,有额外的电源短路供给,因为当时看到仪表板下方冒出的烟,于是怀疑故障部位在仪表板线束内,为了确定此短路电源的来路,于是决定找到A20,拆抬仪表台,将线束拆开,找到A20(在仪表板后面线束内,如图2 所示)。

   74436e3e066040a9b215b1267b56453e_th.jpg

  图2 A20位置

  经过排查,当断开去往发动机舱的一根sw/bl 线时,测得S5 端子2 无电压,于是拆下J293,接上断开的电源线,重新测量,发现也是没有电压,于是怀疑为J293 内部损坏导致短路,更换J293,装复后,用万用表再次确认测量,本不应该有的电压再次出现,拔下T14 插头,仔细观察,发现T14内部有水迹,将sw/bl 线挑开,插头内插脚已经生锈(如图3 所示)。

   c3a8323adb9440379758014bfeb4e7ac_th.jpg

  图3 T14插头内插脚生锈

  至此,以为故障点已经找到,造成进水的原因还没有找到,彻底处理插头后装复试车,01 发动机66 组数据正常,但发现仪表盘出现了不正常现象,水温表和燃油表不走,且出现了巡航指示灯。接车时车辆的燃油表是正常的,指示在一半位置,测量17,有燃油表和水温表的故障(如图4 所示)。

   93d977317a9a45578cbe51bda6e3ed8c_th.jpg

  图4 仪表显示情况

  查看水温传感器,拔下插头发现内部也有水,且插头锈蚀(如图5 所示)。

   c147b08ba34745dcad04fec4ea50e88a_th.jpg

  图5 水温传感器插头内部有水

  分析之前插头进水,应是水温传感器损坏导致线束插头内部进水,测量G2 第2 端子,br/ws 线,它通过T14a/9在仪表板线束内与燃油传感器br/ws 会合后到仪表T32/7 端子搭铁。测量此线正常应为搭铁线,无电压,但实际测得有12V 电压,测得燃油传感器上也是有12V 电,仪表不指示估计是被12V 电源烧坏了,拆下仪表,发现仪表电路板已经被严重烧蚀,之前没有找到的那一股烟也确定了是来自仪表烧蚀的(如图6 所示)。

   3eebcde6ae9843b0b84d5048093ae200_th.jpg

  图6 G2相关电路

  接受之前的教训,既然水温传感器漏水导致发动机插头和J293 插头进水,还有可能在其他插头也有进水的情况,于是检测T14a 插头,果然里面也锈蚀严重(如图7 所示)。

   67a8303dfb154df0a167310fea7cda72_th.jpg

  图7 T14a插头情况

  T14a/9 为水温传感器br/ws 线,旁边11 脚是sw/bl 线,恰恰也是S5保险丝过来的正电,但对应的插头另一边是没有线的,显然此线是因配置不同而预留的。再次仔细查找电路图发现此线是G266 油位传感器的供电线(如图8 所示)。

   981a153781624b9083266974ca32e39b_th.jpg

  图8 T14a/11线束及相关电路位置

  由于水温传感器损坏,因为防冻液的压力,使防冻液顺着线束内部跑到插头内部,又因为插头密封,水无法排除,导致线束锈蚀,恰好因为T14a 插头处两条线挨得近,导致短路,使br/ws 线带有12V 电压,导致仪表烧坏。

  故障排除:处理插头,更换仪表,更换S5保险丝,更换水温传感器。

  故障总结:故障解决了,回想起第一次维修,发现发动机插头进水,就想当然以为流水槽堵塞导致插头进水,没有仔细查看,导致故障没有完全排除,带来了隐患。

  此案例再次告诉我们对于故障的排除一定要彻查到根本原因,仔细观察电路图,才能将问题一次解决。


命运把握在我手,命运由我去创造. 看帖回贴 是一种美德!
回复

使用道具 举报

1

主题

33

回帖

119

积分

侠客

积分
119
发表于 2016-7-18 10:41:44 | 显示全部楼层
感谢分享,分析很到位。
回复 支持 反对

使用道具 举报

您需要登录后才可以回帖 登录 | 立即注册

本版积分规则

QQ|Archiver|手机版|汽车维修技术论坛 ( QQ: 5591026 粤ICP备16011226号-1 )

GMT+8, 2025-10-30 00:51 , Processed in 0.125071 second(s), 30 queries .

Powered by Discuz! X3.4 Licensed

© 2001-2023 Discuz! Team.

快速回复 返回顶部 返回列表